




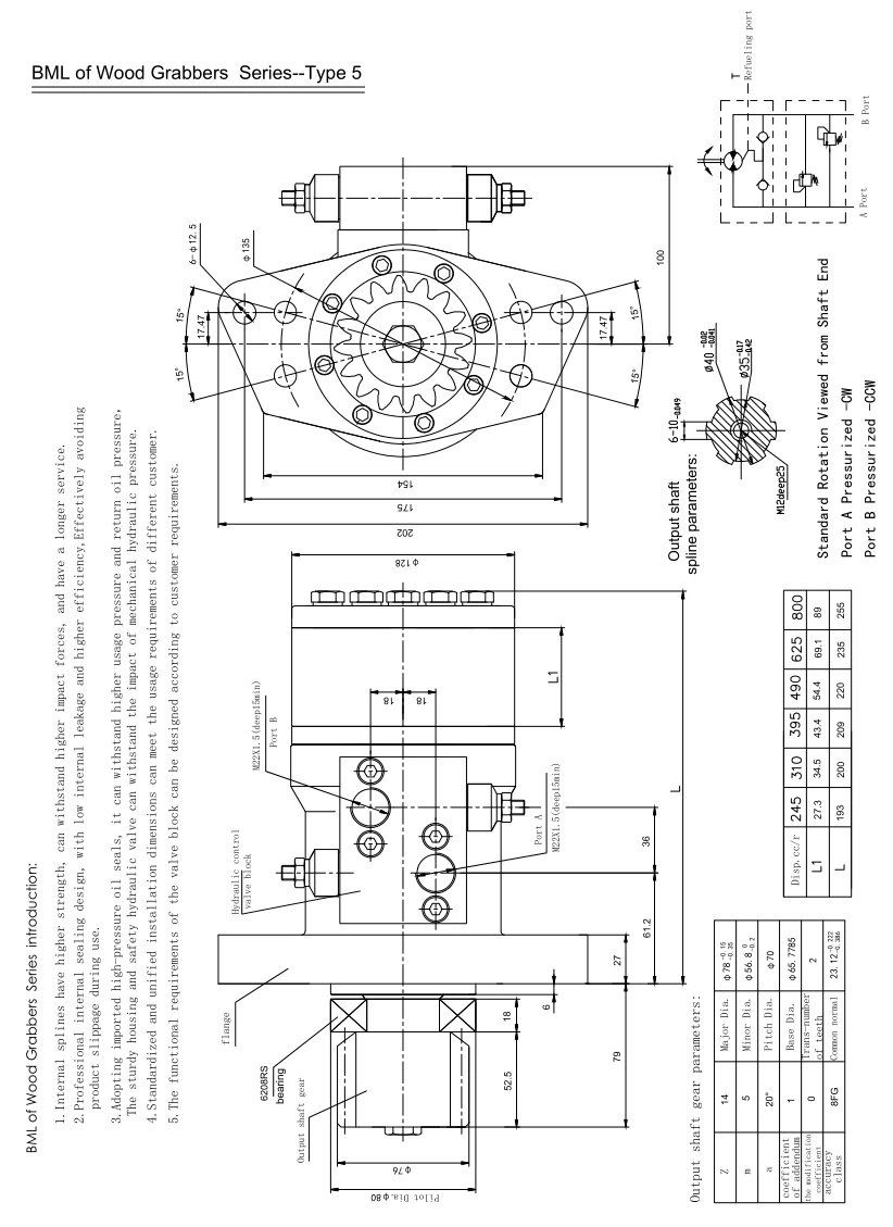
Popularni tagovi: golden claw rhino dragon saint bmlbmg-630/625 dvosmjerni reljefni ventil grab wood machine grab steel machine rotacijski hidraulični, Kina golden claw rhino dragon saint bmlbmg-630/625 dvosmjerni reljefni ventil grab wood machine grab čelični stroj rotacijski hidraulični proizvođači, dobavljači, tvornica





